Sawen_Blog
Follow
一个普通工科牲的博客网站
2
Followers
0
Followings
Patron
Home
Archives
FPGA
数字通信
友链
Report
Latest
Hottest
Most Commented
2023年全国赛C题《 电容电感测量装置》设计报告
参考下面网站的方案 bookmark 参考 LCR 测试仪,基本工作原理为给 DUT 加上正弦激励信号,然后测得该 DUT 两端的电压和流过 DUT 的电流,即可通过计算得到 DUT 的性质和参数。 对于一个理想电容,电流相位应该超前电容两端电压 90…
电路
3 min
5 months ago
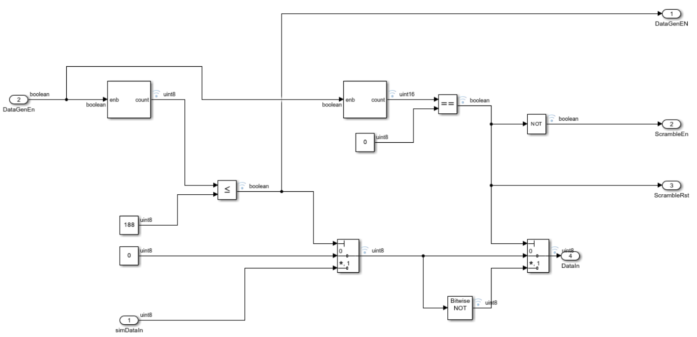
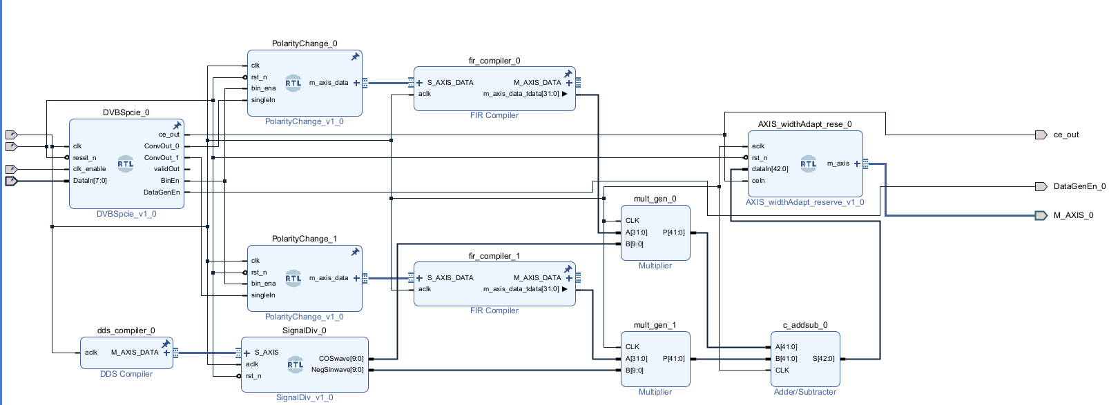
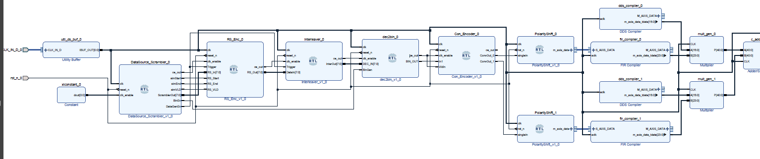
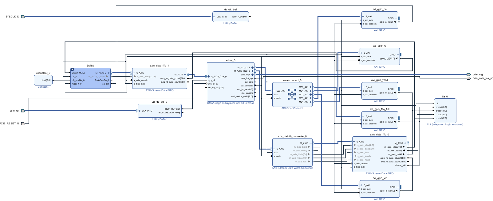
DVB-S系统设计报告
Digital Video Broadcasting(数字视频广播)是一个完整的数字电视解决方案,其中包括 DVB-C(数字电视有线传输标准), DVB-T(数字电视地面传输标准),DVB-S(数字电视卫星传输标准),下面主要介绍 DVB-S 系统。 DVB-S…
数字通信
4 min
5 months ago
Ownership of this blog data is guaranteed by blockchain and smart contracts to the creator alone.
Blockchain ID
#73030
Owner
0x612ca613cbb79d2c5085e2246533917ddfa0d6be
Transaction Hash
Creation 0x2614e0e6...4a4bd856b7
Last Update 0xf4c8af79...c21c98e8a0
IPFS Address
ipfs://QmPxWb1ZVrgoPjNDGx7dschyqkm2JYb6aYVEY6d2Z1VNJT